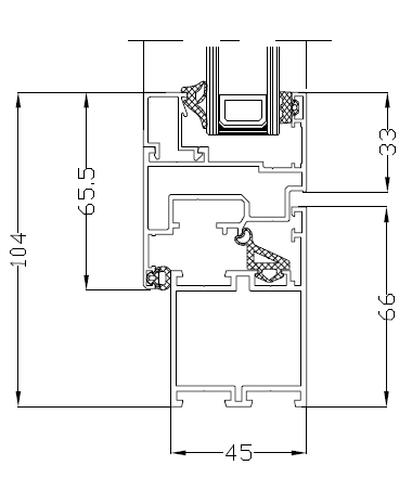
MB-45
Sistema skirta vidiniam įmontavimui
MB-45
Aliuminio langai šioje sistemoje yra rekomenduojami įmontavimui viduje.
Langų sistemoje sumontuota žinoma furnitūra, o gausi daugiau nei 200 langų spalvų paletė leidžia priderinti medžio dirbinius prie bet kokio architektūros stiliaus.Standartinė įranga:
- MACO MULTI-MATIC KS jungiamosios detalės su 2 apsaugos nuo įsilaužimo fiksatoriais su Silber-Look antikorozine danga, užtikrinančia ilgalaikę apsaugą ir sklandų jungiamųjų detalių veikimą
- 2 stiklų (1 kameros) pakuotė, sukomplektuota argonas, kurio koeficientas Ug=1,1 W/(m2K)
- lapų keltuvas (neteisingos rankenos padėties blokada – priklausomai nuo lango aukščio)
- mikroventiliacija paverčiamuose ir pasukamuose languose
- cinkuotas arba plieninis tarplanginis rėmas Swisspacer Ultimate šiltas plastikinis rėmas
- 3 spalvų vyriai: balta, sidabrinė, ruda
- aliumininė rankena
- 2 EPDM tarpiklis, juodas
- RAL matinė spalva: balta (9016), antracitinė (7016)


Aliuminio langų spalvos


Stiklai
Aliuminio langai - papildomos galimybės

Išorinė stiklinė baliustrada

Išorinė stiklinė baliustrada


Rankenos
Palyginkite produktus
| Informacijos | MB-45 | MB-70 | MB-70HI | MB-79N SI | MB-86N SI |
|---|---|---|---|---|---|
| Kamerų skaičius | 2 | 3 | 3 | 3 | |
| Apkalos gylis | 45 mm | 70 mm | 70 mm | 70 mm | 77 mm |
| Sandariklių skaičius | 2 | 3 | 3 | 2 | 3 |
| Šilumos pralaidumas | — | Uw = 1,06 W/(m2K)* * Langui, kurio matmenys: 1230x1480 mm– apskaičiavimo metodas = 1,06 W/(m2K) su stiklo paketu Ug = 0,5 W/(m2K) užpildytu argonu, su „Swisspacer“ plastikiniu rėmu. | Uw = 0,96 W/(m2K)* * Langui, kurio matmenys: 1230x1480 mm– apskaičiavimo metodas = 0,96 W/(m2K) su stiklo paketu Ug = 0,5 W/(m2K) užpildytu argonu, su „Swisspacer“ plastikiniu rėmu. | Uw = 0,81 W/(m2K)* * Langui, kurio matmenys: 1230x1480 mm– apskaičiavimo metodas = 0,81 W/(m2K) su stiklo paketu Ug = 0,5 W/(m2K) užpildytu argonu, su „Swisspacer“ plastikiniu rėmu. | Uw = 0,76 W/(m2K)* * Langui, kurio matmenys: 1230x1480 mm– apskaičiavimo metodas = 0,76 W/(m2K) su stiklo paketu Ug = 0,5 W/(m2K) užpildytu argonu, su „Swisspacer“ plastikiniu rėmu. |
| Stiklinimo paketas | 1,5-37 mm | 23,5-62 mm | 23,5-62 mm | 10,5-63 mm | 17,5-70 mm |































































































MB-45
MB-70
MB-70HI
MB-79N SI
MB-86N SI
